inicio
Nosotros
Servicios
Catálogos
Contactanos
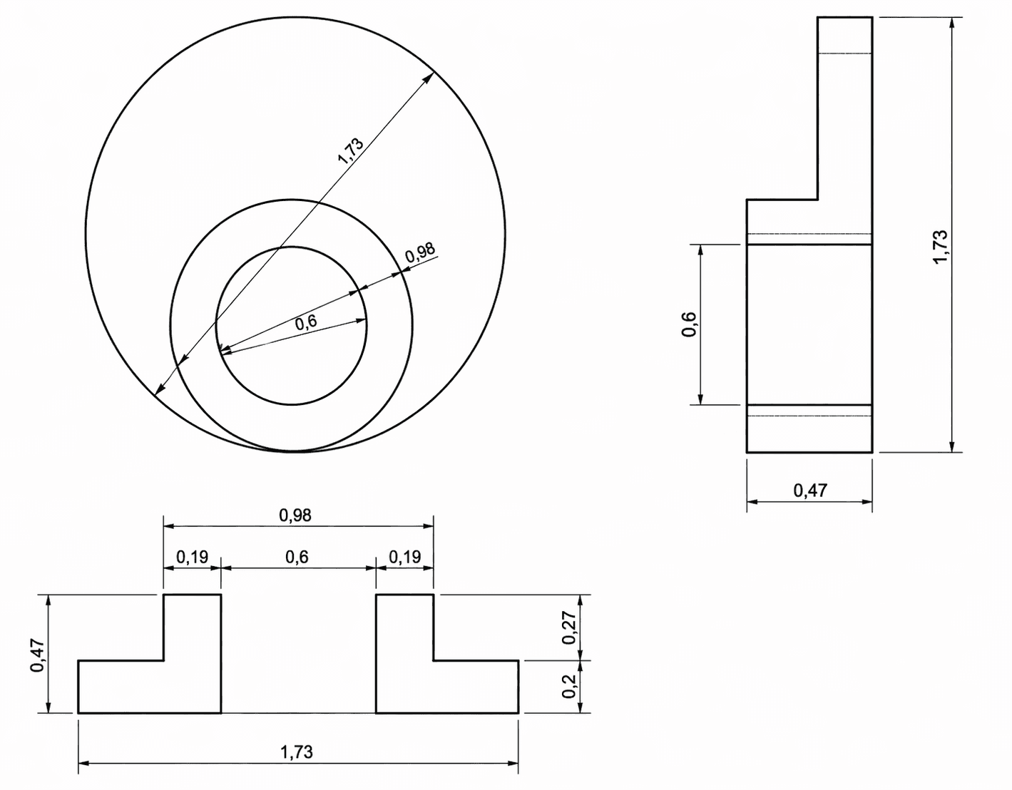
TAPA DE REGISTRO CLOACAL
Recomendaciones
Jukoro, West Root
Create a free website with Framer, the website builder loved by startups, designers and agencies.